Produk
Pemutus Litar Dipasang Tiang Luar 12KV
  • Pemutus Litar Dipasang Tiang Luar 12KVPemutus Litar Dipasang Tiang Luar 12KV
  • Pemutus Litar Dipasang Tiang Luar 12KVPemutus Litar Dipasang Tiang Luar 12KV
  • Pemutus Litar Dipasang Tiang Luar 12KVPemutus Litar Dipasang Tiang Luar 12KV

Pemutus Litar Dipasang Tiang Luar 12KV

Model:ZW20-12F
Anqiang Power ialah pengilang China bagi pemutus litar pemasangan tiang luar 12kV. Peralatan pengagihan kuasa yang dipasang pada tiang luar ini mempunyai voltan terkadar 12kV dan beroperasi pada AC 50Hz tiga fasa. Ia menampilkan keupayaan menutup semula yang sangat baik apabila digunakan dengan pengawal, memenuhi keperluan sistem automasi pengedaran. Ia digunakan terutamanya untuk menghidupkan dan mematikan arus beban dan arus litar pintas dalam sistem kuasa 10kV, dan digunakan dalam pencawang dan sistem pengedaran perusahaan perindustrian dan perlombongan.

Pemutus litar pemasangan tiang luar ZW20-12F 12KV yang dikeluarkan oleh Anqiang menyepadukan dengan lancar fungsi pemutus litar vakum, penutup semula dan pembahagian.  Kepungan peralatannya menggunakan teknologi struktur bertutup gas, kalis letupan dan penebat VSP5 Toshiba. Konduit saluran masuk dan keluar juga telah ditambah baik untuk prestasi pengedap yang lebih baik. Mekanisme operasi spring telah dikecilkan, dan litar utama mempunyai rintangan sentuhan yang rendah. Oleh itu, pemutus litar voltan tinggi luaran ini adalah produk bebas penyelenggaraan dan pilihan utama untuk pemutus litar yang dipasang pada tiang.

Foto produk sebenar

12KV Outdoor Pole Mounted Circuit Breaker

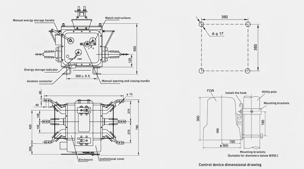
Gambar rajah dimensi produk

12KV Outdoor Pole Mounted Circuit Breaker

Parameter Teknikal

Projek

Nilai parameter

Voltan terkadar

12kV

Kekerapan dinilai

50Hz

Nilai semasa

630/1000 A

Arus pemutus litar pintas yang dinilai

20/25 kA

Puncak ternilai menahan arus

50/63 kA

Dinilai masa singkat menahan arus

20/25 kA

Dinilai semasa membuat litar pintas

50/63 kA

Urutan operasi yang dinilai

Buka - 0.3 saat - Tutup - 180 saat - Buka - Tutup

Kehidupan mekanikal

10,000 kali

Kitaran pecah arus yang dinilai

10,000 kali

Kapasiti pemutus litar pintas yang dinilai

30 kali

Tekanan terkadar gas SF6

0Mpa


Kelebihan Produk

Pemutus litar pemasangan tiang luar 12kV ini mempunyai perlindungan arus lebih dan penunjuk simpanan tenaga spring mekanisme.  Ia juga dilengkapi dengan penyambung penerbangan untuk sambungan elektrik sekunder, memudahkan penyepaduan dengan pengawal pintar. Prestasi elektrik dan mekanikalnya yang sangat baik menjadikan pemutus litar vakum dipasang tiang luar ZW20-12F boleh digunakan secara meluas.


Teg Panas: Pemutus Litar Dipasang Tiang Luar 12KV, Pemutus Litar Elektrik Luaran, Pengeluar Pemutus Litar Voltan Tinggi
Hantar Pertanyaan
Maklumat Hubungan
  • Alamat

    Zon Perindustrian Jinlu, Bandar Beibaixiang, Bandar Yueqing, Bandar Wenzhou, Wilayah Zhejiang, China

  • Tel

Untuk pertanyaan tentang Pemutus Litar, Suis Beban, Suis Putus Sambungan atau senarai harga, sila tinggalkan e-mel anda kepada kami dan kami akan berhubung dalam masa 24 jam.
X
Kami menggunakan kuki untuk menawarkan anda pengalaman menyemak imbas yang lebih baik, menganalisis trafik tapak dan memperibadikan kandungan. Dengan menggunakan tapak ini, anda bersetuju dengan penggunaan kuki kami. Dasar Privasi
Tolak Terima